东莞市达灵电子元件有限公司为您免费提供拨动开关、滑动开关、船型开关、电子开关厂家等相关信息发布和资讯,敬请关注! 收藏本站|网站地图|XML

电子开关厂家

提供电子开关一站式服务专业电子开关,插座优质生产厂家

全国服务热线:400-8440434
132-6626-0678

咨询热线

132-6626-0678
竖拨拨动开关SS-12D07

产地:东莞

是否进口:否

品牌:达灵

开关类型:竖拨拨动开关

型号:SS-12D07

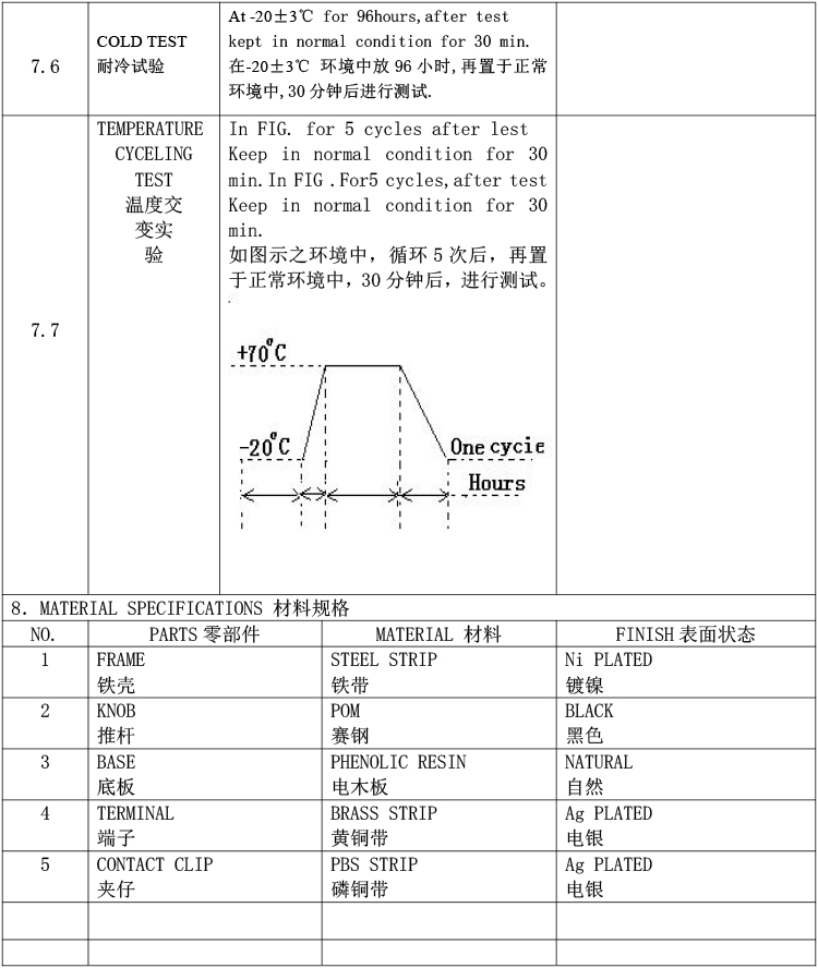
机械寿命: 10000次


全国热线

132-6626-0678

产品简介 / Introduction

产地:东莞

开关类型:竖拨拨动开关

是否进口:否

型号:SS-12D07

机械寿命:10000次

计量单位:个


联系达灵电子

contact us

联系达灵电子

电话 公司电话:132-6626-0678

电话 移动电话:黄自灵(经理) 132-6626-0678

QQ QQ:307567988

邮箱 邮箱:dalingdz@163.com

地址 地址:东莞市石排镇向西大道12号